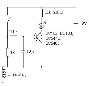
A villanás gyakoriságát a 100Kohmos és a 10µF-os kondenzátor határozza meg. A 100Kohmos ellenálláson átfolyó áram feltölti a kondenzátort. Ha a töltöttség elérte a tranzisztor nyitófeszültségét, akkor a tranzisztor kinyit, és a kollektor felől áram folyik az ellenálláson és a LED-en keresztül az emitteren át a negatív pontba. A LED kigyullad, a bázison lévő kondenzátor kisül. A kisülés után a bázisáram megszűnik, a tranzisztor lezár, a LED kialszik, és a folyamat ismét előröl kezdődik.
